

Renesas ISL4223EIRZ-T7A
Manufacturer No:
ISL4223EIRZ-T7A
Manufacturer:
Package:
VQFN
Description:
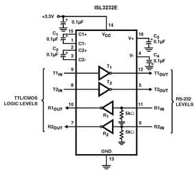
5V 20 Pin Receivers Min 2.7V V Max 5.5V V
Quantity:
Delivery:




Payment:







In Stock :Available
Price not displayed? Please send an RFQ, and we will respond immediately.
ISL4223EIRZ-T7A information
Renesas ISL4223EIRZ-T7A technical specifications, attributes, parameters and parts with similar specifications to Renesas ISL4223EIRZ-T7A.
- Type
- Parameter
- Factory Lead Time
- 6 Weeks
- Mount
- Surface Mount
- Package / Case
- VQFN
- Number of Pins
- 20
- Packaging
- Tape & Reel (TR)
- Published
- 2010
- Part Status
- Active
- Max Operating Temperature
- 85°C
- Min Operating Temperature
- -40°C
- Operating Supply Voltage
- 5V
- Max Supply Voltage
- 5.5V
- Min Supply Voltage
- 2.7V
- Operating Supply Current
- 1mA
- Logic Function
- Receiver, Transceiver
- Data Rate
- 500 kbps
- Number of Transceivers
- 1
- Number of Receivers
- 2
- RoHS Status
- RoHS Compliant
- Lead Free
- Lead Free
Download datasheets and manufacturer documentation for Renesas ISL4223EIRZ-T7A.
Datasheets:
ISL4223EIRZ-T7A Overview
LED drivers benefit from this IC's enhanced VQFN package.The Tape & Reel (TR) package contains this receiver.An enhanced power dissipation control driver IC featuring 20 pins.The package size of this optical transceiver has been dramatically reduced by downsizing ICs and using high-density Surface Mount mounting techniques.There is a supply voltage of 5V on the input of this transceiver module, so it can be operated from that source.ICs implement a total of 1 transceivers.There are 2 receivers inside.Under 85°C, the operating transceiver module's temperature must be kept below.There must not be a minimum operating temperature of -40°C for this optical transceiver.Input voltage is set to a value of 1mA, and this integrating circuit is capable of driving LEDs with that voltage.The transceiver's maximum supply voltage that can be applied to this IC is rated at 5.5V.In order to use this line driver ic, it is necessary to have a voltage supply of at least 2.7V.
ISL4223EIRZ-T7A Features
Tape & Reel (TR) package
20 pins
ISL4223EIRZ-T7A Applications
There are a lot of Intersil (Renesas Electronics America)
ISL4223EIRZ-T7A Drivers/Receivers/Transceivers applications.
- Satellite communications networks
- Ethernet circuitry
- Wired telephone
- Cordless telephone
- Desktop PC
- Notebook
- Pocket PC
- Desktop radio
- Clock radio
- Tuner
User Guide
Please verify all part numbers, quantities, and packaging preferences before placing your order. If substitutions are acceptable, please indicate this clearly. For time-sensitive projects, confirm estimated delivery dates and stock availability in advance. Once submitted, changes or cancellations may not be possible, especially for items marked as non-cancellable/non-returnable (NCNR). For international shipments, please ensure all import documentation is complete and accurate to avoid delays.
MEANS OF PAYMENTFor your convenience, we accept multiple payment methods in USD, including PayPal, Credit Card, and Wire Transfer. Net terms may be available for qualified customers upon approval.
RFQ (REQUEST FOR QUOTATIONS)Please ensure the part numbers and quantities are accurate and complete when submitting your RFQ.
Provide target prices and acceptable alternatives, if any, to speed up the quotation process.
Quotations are subject to stock availability and may vary with market conditions. Prices and lead times are not guaranteed until a purchase order is confirmed. Ensure your contact details are correct to avoid delays in response.

Step1:Prepare product

Step2:Desiccant Protection

Step3:Vacuum Packaging

Step4:Individual Package

Step5:Anti-collision Filling

Step6:Packaging Box
1. Shipping starts at $40, but some countries will exceed $40. For example (South Africa, Brazil, India, Pakistan, Israel, etc.).
2. Some specific products need to reach the minimum order quantity.
3. It may cost additional remote fees for delivery if you are in a remote area.
Currently, our products are shipped through DHL, FedEx, SF, and UPS.
DELIVERY TIME1. Once the goods are shipped, estimated delivery time depends on the shipping methods you chose: FedEx International, 5-7 business days.
2. For in-stock parts, orders normally could be shipped out within 1-2days.
ISL4223EIRZ-T7A Relevant information
The following parts are popular search parts in Integrated Circuits (ICs).
AIChipLink – Your Trusted Electronic Components Distributor
12.28 M
Listed Part Number3,000+
Leading Manufacturers4.9 M
In-stock SKU15,000+
Warehouse Area(㎡)

.png&w=256&q=75)






