

Renesas ISL6308ACRZ-T
Manufacturer No:
ISL6308ACRZ-T
Manufacturer:
Package:
QFN
Description:
2.3V 260 Cel QUAD Specialized Voltage Regulator 40 Pins 40 Terminations QFN
Quantity:
Delivery:




Payment:







In Stock :Available
Price not displayed? Please send an RFQ, and we will respond immediately.
ISL6308ACRZ-T information
Renesas ISL6308ACRZ-T technical specifications, attributes, parameters and parts with similar specifications to Renesas ISL6308ACRZ-T.
- Type
- Parameter
- Mount
- Surface Mount
- Package / Case
- QFN
- Number of Pins
- 40
- Published
- 2005
- JESD-609 Code
- e3
- Part Status
- Active
- Moisture Sensitivity Level (MSL)
- 3 (168 Hours)
- Number of Terminations
- 40
- ECCN Code
- EAR99
- Terminal Finish
- Matte Tin (Sn) - annealed
- Max Operating Temperature
- 70°C
- Min Operating Temperature
- 0°C
- Subcategory
- Switching Regulator or Controllers
- Terminal Position
- QUAD
- Terminal Form
- NO LEAD
- Peak Reflow Temperature (Cel)
- 260
- Number of Functions
- 1
- Terminal Pitch
- 0.5mm
- Time@Peak Reflow Temperature-Max (s)
- 30
- Pin Count
- 40
- Number of Outputs
- 1
- Qualification Status
- Not Qualified
- Output Voltage
- 4.2V
- Operating Supply Voltage
- 5V
- Temperature Grade
- COMMERCIAL
- Analog IC - Other Type
- SWITCHING CONTROLLER
- Current - Output
- 100A
- Voltage - Output
- 2.3V
- Control Mode
- CURRENT-MODE
- Frequency - Switching
- 275kHz
- Control Technique
- PULSE WIDTH MODULATION
- Rise Time
- 26ns
- Fall Time (Typ)
- 18 ns
- Switcher Configuration
- BUCK
- Max Duty Cycle
- 66.6 %
- Length
- 6mm
- Width
- 6mm
- RoHS Status
- RoHS Compliant
Download datasheets and manufacturer documentation for Renesas ISL6308ACRZ-T.
Datasheets:
ISL6308ACRZ-T Overview
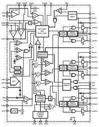
As a whole, it supports 1 outputs. For ease of transportation, alternator regulator is packaged in QFN. There is a general voltage output of 2.3V from this power supply regulator. The voltage regulator contains 40terminals. The electronic part is widely regarded as a regulator of type SWITCHING CONTROLLER. Assuming that the rectifier regulator has 40 pins, the pinout begins from there. In order to mount it on PCBs or other boards, it has a Surface Mount. The power regulators with 40 pins are available. There are other Switching Regulator or Controllersin the industry, such as the voltage controller, which play an important role. It cannot be operated at a temperature below 0°C. The temperature should not exceed 70°C. For normal operation, a voltage of 5V is required. Voltage regulators with 275kHzswitching frequencies are available.
ISL6308ACRZ-T Features
SWITCHING CONTROLLER analog IC
Supply voltage: 5V
Switching at 275kHz
ISL6308ACRZ-T Applications
There are a lot of Intersil (Renesas Electronics America)
ISL6308ACRZ-T Specialized Voltage Regulators applications.
- Telecom/Datacom
- GSM Base Station
- LCD-TV/PDP-TV
- Copier/Printer
- Set-Top Box
- DDR Vooo and V? Voltage Generation
- PC Dual Power Supply
- Server DDR Power
- Desktop Computer
- Graphics Cards
User Guide
Please verify all part numbers, quantities, and packaging preferences before placing your order. If substitutions are acceptable, please indicate this clearly. For time-sensitive projects, confirm estimated delivery dates and stock availability in advance. Once submitted, changes or cancellations may not be possible, especially for items marked as non-cancellable/non-returnable (NCNR). For international shipments, please ensure all import documentation is complete and accurate to avoid delays.
MEANS OF PAYMENTFor your convenience, we accept multiple payment methods in USD, including PayPal, Credit Card, and Wire Transfer. Net terms may be available for qualified customers upon approval.
RFQ (REQUEST FOR QUOTATIONS)Please ensure the part numbers and quantities are accurate and complete when submitting your RFQ.
Provide target prices and acceptable alternatives, if any, to speed up the quotation process.
Quotations are subject to stock availability and may vary with market conditions. Prices and lead times are not guaranteed until a purchase order is confirmed. Ensure your contact details are correct to avoid delays in response.

Step1:Prepare product

Step2:Desiccant Protection

Step3:Vacuum Packaging

Step4:Individual Package

Step5:Anti-collision Filling

Step6:Packaging Box
1. Shipping starts at $40, but some countries will exceed $40. For example (South Africa, Brazil, India, Pakistan, Israel, etc.).
2. Some specific products need to reach the minimum order quantity.
3. It may cost additional remote fees for delivery if you are in a remote area.
Currently, our products are shipped through DHL, FedEx, SF, and UPS.
DELIVERY TIME1. Once the goods are shipped, estimated delivery time depends on the shipping methods you chose: FedEx International, 5-7 business days.
2. For in-stock parts, orders normally could be shipped out within 1-2days.
ISL6308ACRZ-T Relevant information
The following parts are popular search parts in Integrated Circuits (ICs).
AIChipLink – Your Trusted Electronic Components Distributor
12.28 M
Listed Part Number3,000+
Leading Manufacturers4.9 M
In-stock SKU15,000+
Warehouse Area(㎡)






.png&w=256&q=75)
