

Renesas ISL6556ACBZ-T
Manufacturer No:
ISL6556ACBZ-T
Manufacturer:
Package:
SOIC
Description:
1.6V 260 Cel DUAL Specialized Voltage Regulator 28 Pins 28 Terminations SOIC
Quantity:
Delivery:




Payment:







In Stock :Available
Price not displayed? Please send an RFQ, and we will respond immediately.
ISL6556ACBZ-T information
Renesas ISL6556ACBZ-T technical specifications, attributes, parameters and parts with similar specifications to Renesas ISL6556ACBZ-T.
- Type
- Parameter
- Mount
- Surface Mount
- Package / Case
- SOIC
- Published
- 2003
- JESD-609 Code
- e3
- Part Status
- Active
- Moisture Sensitivity Level (MSL)
- 3 (168 Hours)
- Number of Terminations
- 28
- ECCN Code
- EAR99
- Terminal Finish
- Matte Tin (Sn) - annealed
- Max Operating Temperature
- 70°C
- Min Operating Temperature
- 0°C
- Additional Feature
- IT CAN ALSO OPERATE WITH CURRENT MODE
- Subcategory
- Switching Regulator or Controllers
- Terminal Position
- DUAL
- Terminal Form
- GULL WING
- Peak Reflow Temperature (Cel)
- 260
- Number of Functions
- 1
- Terminal Pitch
- 1.27mm
- Time@Peak Reflow Temperature-Max (s)
- 40
- Pin Count
- 28
- JESD-30 Code
- R-PDSO-G28
- Number of Outputs
- 4
- Qualification Status
- Not Qualified
- Operating Supply Voltage
- 5V
- Temperature Grade
- COMMERCIAL
- Analog IC - Other Type
- SWITCHING CONTROLLER
- Current - Output
- 120A
- Voltage - Output
- 1.6V
- Control Mode
- VOLTAGE-MODE
- Frequency - Switching
- 1.5MHz
- Control Technique
- PULSE WIDTH MODULATION
- Switcher Configuration
- PHASE-SHIFT
- Max Duty Cycle
- 66.7 %
- Length
- 17.9mm
- Height Seated (Max)
- 2.65mm
- Width
- 7.5mm
- RoHS Status
- RoHS Compliant
- Lead Free
- Lead Free
Download datasheets and manufacturer documentation for Renesas ISL6556ACBZ-T.
Datasheets:
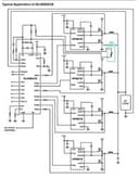
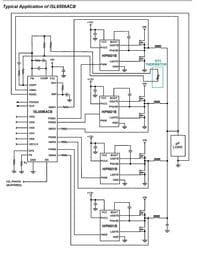
ISL6556ACBZ-T Overview
Overall, it supports 4 outputs. To facilitate transportation, alternator regulator is packaged in SOIC. In general, this voltage controller outputs a voltage of 1.6V. 28 terminals are present on the electronic component. It has received rave reviews as a SWITCHING CONTROLLER voltage regulator. Alternator regulator pinouts begin with 28 pins. The PCB or other board has a Surface Mount for mounting. There are other Switching Regulator or Controllers in the industry that play a crucial role, such as the AC voltage regulator. There is no need for it to be at a temperature lower than 0°C. Temperatures above 70°Cshould be avoided. A normal operation requires a voltage of 5V. This voltage regulator contains the following additional features: IT CAN ALSO OPERATE WITH CURRENT MODE. AC voltage regulator with 1.5MHz switching frequency.
ISL6556ACBZ-T Features
SWITCHING CONTROLLER analog IC
Supply voltage: 5V
Switching at 1.5MHz
ISL6556ACBZ-T Applications
There are a lot of Intersil (Renesas Electronics America)
ISL6556ACBZ-T Specialized Voltage Regulators applications.
- Set-Top Box
- DDR Vooo and V? Voltage Generation
- PC Dual Power Supply
- Server DDR Power
- Desktop Computer
- Graphics Cards
- Cell Phones
- Wireless Modems
- PCS Phones
- Two-Way Pagers
User Guide
Please verify all part numbers, quantities, and packaging preferences before placing your order. If substitutions are acceptable, please indicate this clearly. For time-sensitive projects, confirm estimated delivery dates and stock availability in advance. Once submitted, changes or cancellations may not be possible, especially for items marked as non-cancellable/non-returnable (NCNR). For international shipments, please ensure all import documentation is complete and accurate to avoid delays.
MEANS OF PAYMENTFor your convenience, we accept multiple payment methods in USD, including PayPal, Credit Card, and Wire Transfer. Net terms may be available for qualified customers upon approval.
RFQ (REQUEST FOR QUOTATIONS)Please ensure the part numbers and quantities are accurate and complete when submitting your RFQ.
Provide target prices and acceptable alternatives, if any, to speed up the quotation process.
Quotations are subject to stock availability and may vary with market conditions. Prices and lead times are not guaranteed until a purchase order is confirmed. Ensure your contact details are correct to avoid delays in response.

Step1:Prepare product

Step2:Desiccant Protection

Step3:Vacuum Packaging

Step4:Individual Package

Step5:Anti-collision Filling

Step6:Packaging Box
1. Shipping starts at $40, but some countries will exceed $40. For example (South Africa, Brazil, India, Pakistan, Israel, etc.).
2. Some specific products need to reach the minimum order quantity.
3. It may cost additional remote fees for delivery if you are in a remote area.
Currently, our products are shipped through DHL, FedEx, SF, and UPS.
DELIVERY TIME1. Once the goods are shipped, estimated delivery time depends on the shipping methods you chose: FedEx International, 5-7 business days.
2. For in-stock parts, orders normally could be shipped out within 1-2days.
ISL6556ACBZ-T Relevant information
The following parts are popular search parts in Integrated Circuits (ICs).
AIChipLink – Your Trusted Electronic Components Distributor
12.28 M
Listed Part Number3,000+
Leading Manufacturers4.9 M
In-stock SKU15,000+
Warehouse Area(㎡)







